TAP Services(865) 919-6674

26407-11 Advanced Controls

1. What is another name given to solid-state, reduced-voltage starters because of their ability to provide a smoother, stepless start and acceleration?

Question 1 of 25

2. The 11-pin timing relay can be configured for single shot or ________.

Question 2 of 25

3. The purpose of contactor 2M shown in the figure above is to ________.

Question 3 of 25

4. When does an off-delay relay provide the time delay?

Question 4 of 25

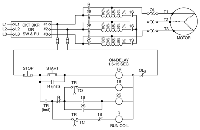
5. When three solid-state relays are connected in series, the supply voltage must be ________.

Question 5 of 25

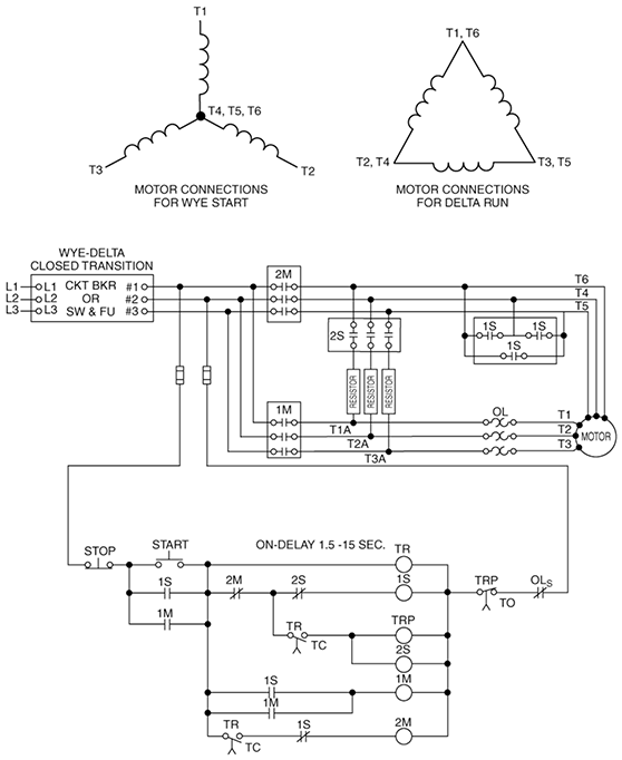
6.

The contactor sequence for the circuit shown in the figure above is such that during the transition from reduced-voltage operation to full-voltage operation, the energized contactors are 2S and ________.

Question 6 of 25

7.

For the AFD operating frequency range shown in the figure above, the range of AFD output frequencies over which the ratio of volts to hertz remains constant is identified in the figure as ________.

Question 7 of 25

8. One of the advantages of an SSR over an EMR is its ________.

Question 8 of 25

9. Which of the following is a benefit derived from using a pulsewidth-modulated (PWM) adjustable frequency drive (AFD) versus an analog SCR AFD?

Question 9 of 25

10. The circuit shown in the figure above is a(n) ________.

Question 10 of 25

11. Dynamic motor braking is often used with AC motors being controlled by a(n) ________.

Question 11 of 25

12. In a typical DC electric braking circuit, power is supplied to the braking relay by a(n) ________.

Question 12 of 25

13. Which symbol in the figure above represents a normally open, timed-open (NOTO) contact of a timing relay?

Question 13 of 25

14. Most NEMA-rated general purpose motors have an overcurrent trip class rating of ________.

Question 14 of 25

15. When troubleshooting a motor, the possible cause for constant chatter is ________.

Question 15 of 25

16. An SSOLR initiates a trip if the phase currents exceed what percentage of the trip current dial setting?

Question 16 of 25

17. Which of the following characteristics are an advantage for using an electromechanical relay versus a solid-state relay?

Question 17 of 25

18. For the AFD operating frequency range shown in the figure above, the range of output frequencies over which the AFD output voltage remains constant while the frequency varies is identified in the figure as ________.

Question 18 of 25

19. The voltage unbalance trip point for a programmable solid-state overload relay is typically set for ________.

Question 19 of 25

20. One advantage of DC electric braking is that ________.

Question 20 of 25

21. A small unbalance in phase-to-phase voltage can result in ________.

Question 21 of 25

22. In a constant horsepower load, the torque ________.

Question 22 of 25

23. Which of the following protect the motor and control devices against overheating?

Question 23 of 25

24. Which type of braking system engages solenoid-operated friction brakes?

Question 24 of 25

25. Which of the following solid-state relay switching modes are typically used to control heavy inductive loads?

Question 25 of 25