TAP Services(865) 919-6674

26110-11 Basic Electrical Construction Drawings

1. Which of the following letters in the figure above shows a dimension of 4'-9"?

Question 1 of 30

2. To determine wiring methods in compliance with the NEC®, check construction methods and materials used by referring to the ________.

Question 2 of 30

3. Notes are used in power-riser diagrams to identify the number, size and ________.

Question 3 of 30

4. The location of utility lines on the property are shown on the ________.

Question 4 of 30

5. Which of the following letters in the figure above shows a dimension of 0'-3"?

Question 5 of 30

6. All of the following scales can be found on a triangular architect's scale, except ________.

Question 6 of 30

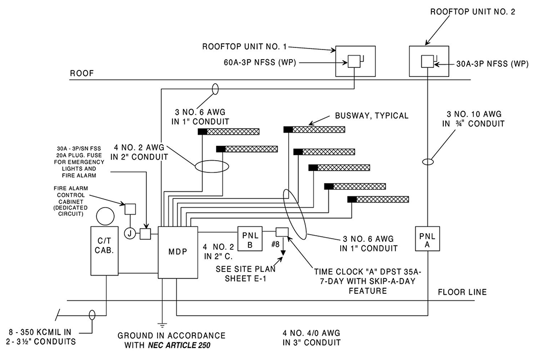
7. According to the figure above, where can information on Panel A be located?

Question 7 of 30

8. A cutaway view of a building or object is known as a(n) ________.

Question 8 of 30

9. Which of the following is indicated on a panelboard schedule?

Question 9 of 30

10. Changes to the drawings will be noted in the ________.

Question 10 of 30

11. A circle with two parallel lines drawn through it is the symbol normally used for ________.

Question 11 of 30

12. According to the figure above, who is responsible for providing the electric service?

Question 12 of 30

13. Which of the following must be mounted so that no point along the wall line is more than 24" from a receptacle?

Question 13 of 30

14. The scale of the drawings is contained in the ________.

Question 14 of 30

15. Which of the following letters in the figure above shows a dimension of 1'-6"?

Question 15 of 30

16. A residential lighting branch circuit is to be loaded at no more than 80% of its capacity. If the circuit is operating at 277V and is rated at 12A, what is the maximum initial connected load?

Question 16 of 30

17. An electrical drawing's title block includes the ________.

Question 17 of 30

18. Why is there a letter R next to the outlet boxes for the Type C lighting fixtures in the figure above?

Question 18 of 30

19. Which of the following is used in an electrical diagram to show wiring concealed in a floor?

Question 19 of 30

20. On electrical drawings, a solid line with a solid circle at the end indicates wiring ________.

Question 20 of 30

21. How many lighting fixtures are connected to Circuit A-3 in the figure above?

Question 21 of 30

22. What is the total connected load of Circuit A-1 if each of the Type C lighting fixtures in the figure above has a total lamp and ballast load of 150VA?

Question 22 of 30

23. The letters inside the triangles in the figure above represent ________.

Question 23 of 30

24. Duplex receptacle outlets should be placed no more than ________.

Question 24 of 30

25. What is the number of conductors and the wire size specified for the feeder circuit supplying rooftop unit No. 1 in the power-riser diagram in the figure above?

Question 25 of 30

26. Which of the following letters in the figure above shows a dimension of 1'-9"?

Question 26 of 30

27. Which of the following are used extensively to show the arrangement of electric service equipment?

Question 27 of 30

28. In which division of the MasterFormatTM is electronic safety covered?

Question 28 of 30

29. Which of the following are used in electrical drafting lines to show the number of circuits?

Question 29 of 30

30. Equipment schedules are part of the ________.

Question 30 of 30