TAP Services(865) 919-6674

26104-11 Electrical Theory

1. The total voltage in a circuit with voltage drops of 15V, 25V, and 20V is ________.

Question 1 of 20

2. In a parallel circuit, the total line current must equal ________.

Question 2 of 20

3. If a circuit with a source of 200 volts is connected across four parallel 50-ohm resistors, the current through each resistor is ________.

Question 3 of 20

4. There are four resistors in a circuit with an applied voltage of 120V. The voltage drops across three resistors is 15V each. What is the voltage drop across the fourth resistor?

Question 4 of 20

5. Two resistances of 30 and 25 ohms are connected in parallel. In series with this combination is a 40-ohm resistance, and in parallel with this total combination is a 28-ohm resistance. Given a voltage of 1.28 volts, the total current flowing through the circuit is ________.

Question 5 of 20

6.

The voltage drop across the parallel resistors shown in the figure above is ________.

Question 6 of 20

7. The total resistance of four resistors in parallel with values of 3, 10, 25, and 50 ohms is ________.

Question 7 of 20

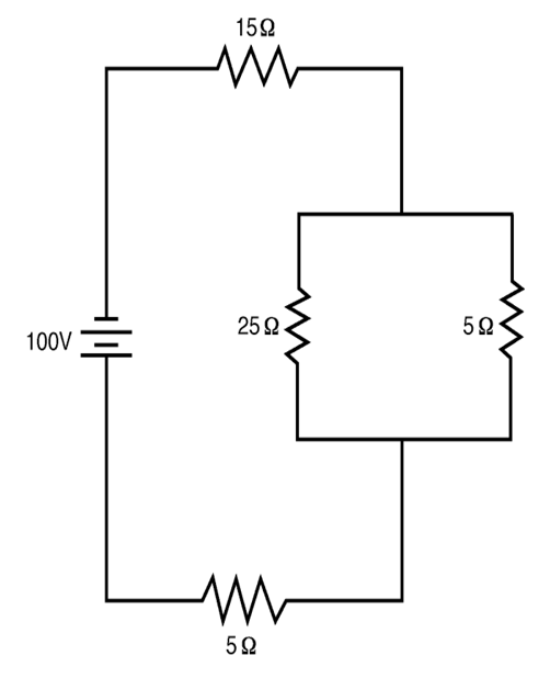
8.

What is the total resistance of the circuit in the figure above?

Question 8 of 20

9. Which of the following is considered a voltage rise?

Question 9 of 20

10. The statement that total current entering a point must equal total current leaving that point best describes ________.

Question 10 of 20

11. If R3 was removed from the circuit in the figure above, how many amps of current would flow through the circuit?

Question 11 of 20

12. Given: A circuit has a voltage of 100 volts across five resistors in parallel (5, 14, 21, 25, and 100

Question 12 of 20

13. According to Kirchhoff's voltage law, the total voltage drop in a circuit is equal to the ________.

Question 13 of 20

14. What is the total resistance of three resistors in parallel with values of 4 ohms, 10 ohms, and 25 ohms?

Question 14 of 20

15. What is the resistance of a light bulb that uses 15 watts of power when placed across a 15-volt battery?

Question 15 of 20

16. According to Kirchhoff's current law, the current in a parallel circuit is equal to ________.

Question 16 of 20

17. A circuit in which two or more components are connected equally across the same voltage source is a ________.

Question 17 of 20

18.

How many amps of current would flow through the circuit in the figure above?

Question 18 of 20

19. What is the total resistance of three resistors in parallel with values of 2 ohms, 8 ohms, and 14 ohms?

Question 19 of 20

20. What is the total resistance of the circuit in the figure above?

Question 20 of 20